一、前言
港口轮胎式集装箱门式起重机(以下简称RTG)早期采用柴油机供电,经过一轮的节能减排,在市电接入困难的堆场,RTG逐渐转变为混合动力供电;可市电接入的堆场也基本上已完成“油改电”改造。“油改电”完成之后的RTG在原有的一组柴油机发电机组供电的情况下增加一套市电供电装置,其供电模式为:当RTG在堆区内作业时采用市电供电装置供电;当RTG需换场作业进行转场时,仍采用原有柴油发电机供电。
对于实施RTG油改电的集装箱码头 ,比如:采用滑触线方式,电缆卷筒方式等,虽然节能效果很好,但是造成RTG转场不灵活,降低生产效率。为了进一步深化节能减排,提高生产效率,节约生产与维修成本,提出本产品方案:针对已经完成油改电项目的RTG, 实施电池转场改造,采用锂电池组替换柴油机发电机组,为RTG转场时提供动力,彻底实现“零排放”。
二、系统结构
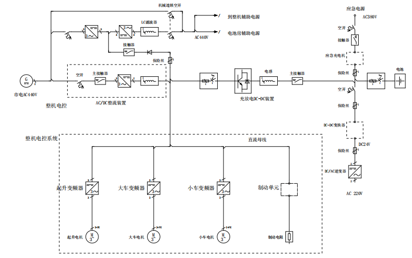
1. 电池转场系统要包括:充/放电控制装置,蓄电池组,蓄电池管理系统BMS,辅助逆变装置,PLC控制及监控系统等。总体系统工作框图见图中蓝色部分:

(1) 高倍率电池:采用80AH高倍率磷酸铁铝锂电池,给大车电机及整机辅助提供动力。
(2) 电池管理系统BMS:监视电池电量,每个串联单体电池电压,模组温度,主动均衡及电池故障保护等。
(3) 充放电DCDC变换器:控制电池的充放电,同时对电池的充放电过流过压等保护。
(4) CVCF辅助逆变装置:采用恒压恒频输出装置,通过市电电源或电池给整机给辅助回路供电,实现了直流和交流电源双共存,保证电源不间断,实现无缝转场。
(5) PLC及监控系统:主要用于系统控制,与RTG主控系统的联锁、故障处理、通过CAN总线读取BMS数据;监控系统用于充放电控制系统监控,蓄电池充放电流显示,母线电压及电池电压显示,温度,故障记录等。
2. 系统方案图:

三、系统特点
1. 电池箱采用金属结构,当短路意外发生时金属箱体是最理想的防护
2. 蓄电池是发热部件,每个电池箱采用风冷结构,当温度达到设定值时启动电池风扇冷却,使每个蓄电池能够处于几乎相同的温度环境中,有助于提高蓄电池的一致性,从而延长电池使用寿命。
3. BMS对每个单体电池及电池箱温度实时监控,有电池过压,欠压,过流,高温,单体压差过大,漏电流,采集断线等保护配置,通过CAN通讯快速把信息传送给PLC,从而系统可做出判断。
4. BMS主动均衡技术成熟,取高补低,实现电池的静态、动态一致性,有效延长蓄电池的寿命。
5. BMS具有远程监控功能,通过登录大数据平台系统,可使用手机或者电脑在线查看电池系统运行状态,历史数据,对后期的电池维护非常有利。
6. 采用技术成熟的充放电装置,提高RTGC运行的稳定性。
四、结束语
中国2030年实现碳达峰和2060年实现碳中和(简称“双碳”目标),实现“双 碳”目标,是我国实现可持续发展、高质量发展的内在要求,也是推动构建人类命运共同体的必然选择。RTG电池转场系统是我公司通过技术提升为港口节能提供的一种方案,也是我们为实现“双碳”目标做出的努力。


产品展示:
