音乐喷泉能将水的灵性、音乐的美感和灯光的色彩结合在一起,给人以赏心悦目的感觉。如今,设置在城市广场等规模较大的喷泉,已不再是采用几个按钮或一些逻辑开关的简单控制就能满足观众日益提高的欣赏水平了。随着社会经济和技术的发展、文化艺术生活品位的提高,人们对喷泉的技术含量和艺术效果也提出了更高的要求,因此变频器在音乐喷泉中为达到特定的艺术效果而发挥了极其重要的作用。
一、音乐喷泉控制概述
音乐喷泉系统中有大量的电磁阀门、彩灯、水泵和产生其它机械动作的电机。其中有些变频水泵需要用模拟信号来连续调节水柱高度、实现特定的艺术效果,有些部件通过开关量进行控制,这些开关信号驱动阀门、彩灯、水泵随着音乐进行不同的组合,从而产生各种水形和灯光变换效果。为了达到听觉、视觉的和谐统一,控制系统应能根据音乐的节奏、旋律和感情色彩输出,产生各种不同的状态组合来配合水形和灯光实时变化。
形成水形的基本通路是由水泵、管道、阀门和喷头组成,针对不同水形要求有不同的控制方法。从喷泉的控制来看基本可分为四类:
第一类,启动水泵直接向管道和喷头加压,效果是喷头的水柱在启动和停止时有一过渡的升降过程。
第二类,需要通过变频器控制水泵转速来实现一种水柱连续升降的效果。
第三类,在加压喷水时启动传动电机控制喷头摇摆,达到一种花型变换。
第四类,需要在直接启动水泵向管道加压后,通过控制器快速地控制大量的电磁阀门的开闭,使喷嘴以各种方式进行点射,形成所谓“跑泉”和“跳泉”效果。
二、控制系统的构成
在较大的喷泉中,一般均有上百个控制点,有些广场喷泉可达到数百甚至上千个被控点,所以可以采用模块化的分级式控制系统来完成系统的全部控制。
一般音乐喷泉系统由工控机、开关板和跑泉器构成三级控制结构。系统一级的上位机是本控制系统的核心。由于现场电磁干扰很大,使用环境比较恶劣,主机需要采用标准工控机。上位机的任务是实现人机交互界面,存放音乐文件,对音频信号进行读入、分析,对下级的输出模块进行操作和控制整个系统的启停等功能。为实现上述功能,系统在设计上根据不同负载类型,将大量的被控对象分为4种模块:
(1)乐曲识别与处理模块。由模拟采集板和音源处理电路组成。
(2)变频水泵控制模块。由D/A输出板和变频器组成。
(3)开关量的直控模块。用于彩灯、水泵和传动电机等,这是数量最多的模块。
(4)分级控制的跑泉模块。
三、伟创AC60系列变频器的应用
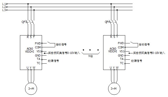
根据以上所述,其中一类水形需要通过变频器控制水泵转速来实现一种水柱连续升降等艺术效果。这部分是音乐喷泉的核心技术。控制喷泉的外部音频信号有多种来源,其中之一是来自音响系统的音源输出。该信号经过变换电路放大、滤波、限幅和检波,变成与音乐幅度的对数成比例的包络检波信号送到采集卡,其幅值为0~10V,并根据对大量乐曲音频信号的分析统计,给出一个判断依据和相应的阈值,这样就可以实现水形跟随音乐旋律变化。
其控制电路图如下:

四、伟创AC60系列变频器的特点
1、允许额定电压的±15%的波动范围,适应中国电网的现况;
2、输入输出三相电压:220V、380V、660V、1140V;输出频率范围:0-400Hz可调;
3、优化的SVPWM控制技术:输出电流波形平稳,抑制电流能力强,负载大范围波动时,仍能稳定运行;
4、较好的静音控制,15kHz在线可调,保证扭距合理输出,同时有效降低电动机的噪音和发热;
5、完善的电机保护,具有过载、过流、过压、欠压、短路等保护及软起、软停功能等;
6、丰富可编程输入、输出端子,2路可编程模拟量输入端口,并可互相切换,结合丰富的软件逻辑功能,可满足不同行业的应用要求;
7、通用型160kW以上内置直流电抗器,输入功率因素高,减少了大功率机器对电网的干扰;
8、具备完善的软件、硬件保护功能。
伟创AC60系列变频器已经在音乐喷泉领域进行了成功应用。结果表明:该变频器运行稳定,安全可靠和控制精度等技术性能均能满足实际要求,而且成本低,使用简单方便,效果令人十分满意。