浆染联合机包括了浆纱和染整功能,应用于纺织工业织前准备工程,完成上浆工序。同时适应有梭及无梭织机的配套要求,满足淀粉浆、化学浆、混合浆等对纯棉、麻、及其混合织物、化纤及其混纺等短纤织物的经纱上浆。适应高密,细支宽幅各类织物品种的浆纱工艺要求,是棉纺织厂开发生产高产值、高效益织物品种不可缺少的关键设备。

(5)蜗牛速度:0.5m/min。

三、浆染联合机的组成
浆染联合机由经轴架、染色部分、烘房、储纱架、浆槽、湿分绞、车头等部分组成。设备的简图如下:
四、变频器的应用

1、全机张力调节:
整体传动:主电极为11kW,4极变频电机,变频调速。边轴传动采用汽车万向联轴节。
(1)引纱辊由XP1无级变速器调节。
(2)靠经轴架5台机车采用1台P4无级变速器调节。
(3)出染槽(3只水洗轧车)用1台P4无级变速器调节。
(4)最后1台轧车与染色烘房之间采用1台XP1无级变速器调节。

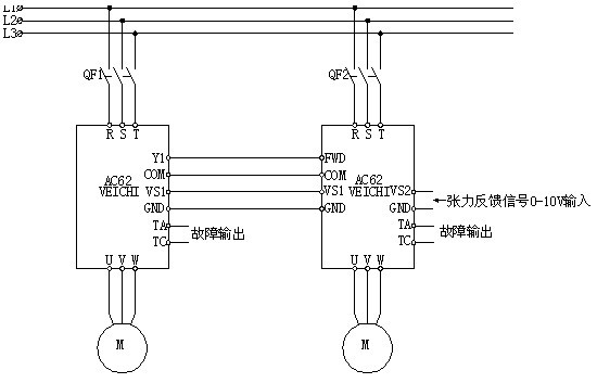
2、卷绕轴的控制
采用伟创AC62-22kW变频器和22kW变频电机,通过1:1.3的皮带盘带动卷绕辊;PLC控制整机程序及动作。采用张力辊和张力检测器。
(1)张力辊由气缸压力给定(CYLINDER 0.15~0.63Mpa);
(2)张力传感器输出0~10V信号(Type PW70d/AIP65 360度 2571Ω±1%);
