摘要:本文就伟创电气生产的伺服驱动器在无纺布定长裁断机上的使用进行了探讨及分析,通过生产加工证实伺服不但在精度和效率上得到了提高,同时使机械结构更加简单,操作更加方便,故障率大大降低。
一、前言:
在无纺布加工的最后阶段,根据客户的要求,将卷材裁切成不同长度的片材并打包运输到客户处,由客户再行处理。因此客户要求对制造出来的材料直接进行定长切断和整料,满足市场的需求,在此背景下,设备制造生产商推出无纺布定长分切机,以适应客户对市场的要求。
二、产品简介:
伟创SD600系列全数字交流伺服驱动器是我公司自主研发,具有完全自主知识产权的高性能伺服驱动器。该产品采用全数字电机控制算法,完全以软件方式实现了电流环、位置环、速度环的闭环伺服控制,具有良好的自适应能力,可配合多种规格的伺服电机。内部配置了多种控制模式,动态响应和运行稳定性高。功能强大、性能良好、结构合理,完全能够满足广大客户对高精度、高速度加工的要求,广泛应用于数控机床、包装机械、印刷机械等领域。
产品特性:
高性能硬件平台:32bit高性能DSP。
调速范围:稳速运行范围1~5000rpm。
最大脉冲输入:差分输入方式:500Kpps, 集电极输入方式:200Kpps。
I/O接口: 10路数字量输入和6路数字量输出,3路模拟量输入和2路模拟量输出。
过载能力:扭矩可达3倍额定负载。
七种控制模式:速度模式、位置模式、转矩模式、速度/位置切换模式、速度/转矩切换模式、位置/转矩切换模式、点动模式。
通讯功能:内置RS232和RS485通讯接口,可使用通讯控制内部I/O、切换控制模式等等。
内置简易运动控制器:内置16组运动位置控制命令和16组速度控制命令及原点搜索功能,用户可自行设定运动曲线及多段速控制,可省略上位机的控制。

三、系统结构简介:
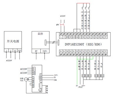
机械系统主要由裁断机构、主机、牵引机构组成;其中主机由伺服电机驱动系统及减速机构组成,裁断机构由切刀架、气缸等组成。电气系统由台达可编程控制器(DVP系列)、显控人机界面、伟创伺服控制器(SD600)、伟创伺服电机以及外围控制开关组成,如下图。

六、结束语:
伟创电气作为国内专业生产变频器的企业之一,一直致力于电气传动与运动控制的研发及生产。该无纺布定长裁断机系统经过几个月的试用,没有出现任何问题,其控制精度仍在0.5毫米,表现出伟创产品超高的稳定性。客户表示对伟创提供的整套解决方案非常满意。此次无纺布定长裁断机控制系统的应用成功,表明伟创有实力为客户提供多方位的解决方案,为伟创伺服驱动器的推广起到了积极的作用。