一.前言
超微拉机是指生产的丝进线线径0.1mm-0.5mm之间,出线线径0.03-0.15之间。
传统超微拉机多为单变频,系统通过检测定速轮与导轮速度来调节两个锥轮上皮带位置控制速差,随着市场的发展,客户要求越来越高,单变频拉丝机缺点越加明显。首先是锥轮皮带增加了故障点,磨损严重,损坏率高,其次是运行速度受机械结构限制无法提高,严重影响了生产效率,并且单变频拉丝机机械制造难度大成本高。
双变频有摆杆拉丝机系统以其结构简单、效率高的优势逐渐取代了单变频拉丝机。系统利用摆杆建立张力,采用PID的控制方式对收卷电机进张力控制,由于PID的调节作用摆杆不可避免进行调整,微丝出现粗细不均的现象,退火时丝极易断线。为此伟创电气开发了无摆杆拉丝机系统,无摆杆双变频拉丝机采用PLC 检测两台电机运行频率保证滑差恒定。具有故障率低、运行速度高等特点。
二.无摆杆双变频拉丝机
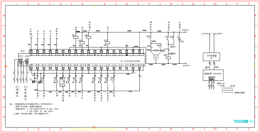
系统硬件由伟创PLC:VE 214-1BD23-0XB0、两台AC310-XL变频器、两个欧姆龙接近开关(型号:常开E2B S08KS01-WP-B1 2M (M8、2 KHz))或 常闭 E2B X1R5F1 2M(M8、2KHz)),伟创触摸屏VI10-070D.各节点采用485通讯控制。

三.电气控制原理图


四.系统控制优势
1、功能丰富。
具有断线检测,计重、定长停机,直接设定开机线速度,故障记录等功能。
2、滑差控制稳定。
针对测速轮光电开关检测点少,低速测速困难,同时考虑高速时测速的快速响应,专门优化了测速程序。针对拉丝机的测速特点进行优化,既保证了测速的响应速度,又不会在低速时产生速度波动。
3、保持滑差稳定。
PLC 的滑差控制采用卷径计算+PID 的控制模式,卷径计算精度偏差小于±1%,大大减小了PID 的计算工作量与调整范围,转差控制稳定,偏差小于±0.2%,
4、启动、停止平稳,张力稳定,不断线。
5、参数设置简单,方便调试,易操作。
五、结束语
采用伟创拉丝机专用变频器AC310-XL系列的无摆杆双变频拉丝机控制系统,经过客户的实际使用,张力的稳定性,参数设置的简易性,系统的稳定性都得到了客户的认可。