一、前言
封边机是木工机械当中的一种,属实木机械类。封边机顾名思义就是用来封边用的。适用于中密度纤维板、细木工板、实木板、刨花板、高分子门板、胶合板等直线封边修边。可一次性具有双面涂胶封边,带堵截封边,带粘合压紧、齐头、倒角、粗修、精修、刮边抛光等功能。因其封边细腻、润滑、手感好,封线平直润滑。设备运转安稳、牢靠经用、尤为适合于家俬、橱柜等板式家俬的厂家运用。

图一

图二
二、封边机种类
封边机按机型功能可以分为标准配置型:只具备齐头,修边,刮边,抛光这四个主要单元。客户定制型,客户可根据自己的实际情况增加双修,开槽,仿形等工位。目前木工行业中封边机按控制方式分主要有手动直曲线封边机和全自动直线封边机两种。
三、伟创自动化产品在封边机上的解决方案
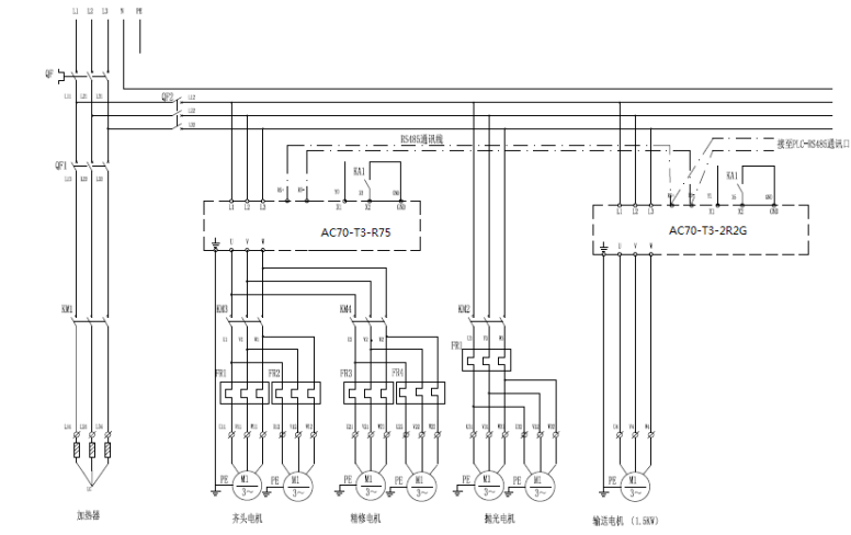
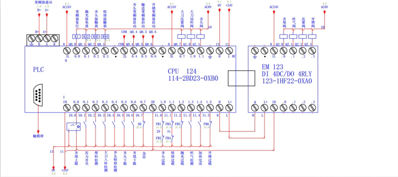
本解决方案主要选用伟创公司的VE124 PLC,VI10系统触摸屏以及AC70系列变频器。利用感应器检知工件工位从而完成封边机的输送-->涂胶-->切断-->前后齐头-->上下修边-->上下精修 -->上下刮边-->抛光等封边工序。VI10系统触摸屏则提供一个人机交流界面 ,让整个工序流程一目了然,对于外围电路的故障也可做到可视化。
AC70变频器与VE124 PLC通过MODBUS通讯,方便客户根据不同产品调整线体速度。以下内容为部分电路图及HMI组态画面。
1:主电路

2:PLC I/O电路

2:HMI组态画面:
工作画面

参数设置画面

四、调试方法(以基本机型为例)
1:进入HMI系统参数页面将温度控制设定为无效。
2:分别调节好进料靠板组件,送料压轮,侧压轮,精粗修模组,以及抛光轮的调整手柄。
3:当机械部分位置调大概适当的位置后就可以进行开机封边测试了,调试人员可根据封边效果慢慢调整进料靠板组件,送料压轮,侧压轮,精粗修模组,以及抛光轮的间隙,直到封边圆润光滑便可开启加热有效模式进行正常生产。
五、变频器参数设置
功能代码 | 功能名称 | 推荐设定值 |
E0.00 | 控制方式 | 0 |
E0.01 | 运行命令给定通道选择 | 1 |
E0.02 | 频率给定主通道选择 | 6 |
H-66 | 联动主站设置 | 0 |
H-67 | 本机地址 | 1-3 |
H-68 | 数据格式 | 0 |
H-69 | 波特率 | 4 |
六、结束语
通过实际的生产考验,客户对伟创这套整体方案十分满意。其优势主要体现在在以下三点
1:拥有强大的整合能力,PLC、触摸屏,变频器均为伟创公司产品,客户不在为东奔西跑寻找电器组件而忙碌。
2:强有力的技术支持,我们不光提供了硬件,还提供成套方案包括PLC触摸屏程序的编写,电气图纸的绘制。
3:快速响应的服务。这些都为木工封边机生产商抢占先机奠定了基础。