港口集装箱岸边起重机(俗称桥吊)属于大型机械并且使用在海洋性环境,在30年寿命周期中电气控制系统已经多次更新,对电气维护造成很多困难。因此针对大型起重机的电气设备进行现代化改造有较大的需求。
集装箱岸边起重机具有整机电气装机功率大、运行速度快、电气控制设备分散等特点,因此改造时需要考虑多方面因素,例如地面大车机构控制箱距离主电气控制柜固定电缆敷设超过100米;操作司机室控制箱距离主电气控制柜移动电缆敷设超过100米,并且处于需要高速移动的小车机构上。这两部分的总线通讯电缆需要使用不同规格的光缆和电缆。
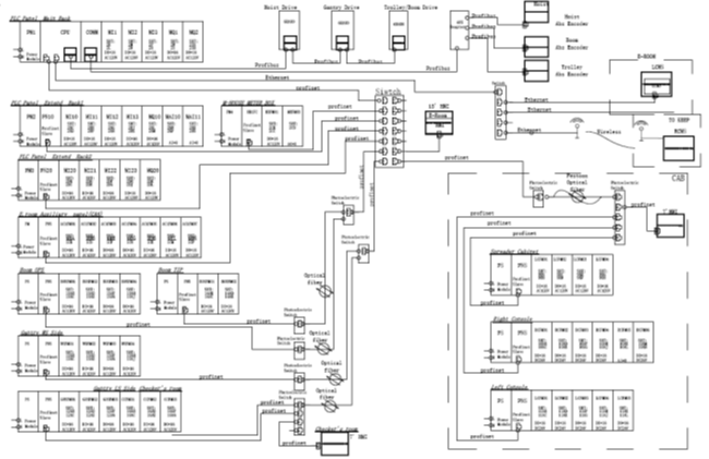
二、改造方案
典型集装箱岸边起重机(桥吊)电气控制系统通讯网络示意图

电气控制系统使用总线通讯控制方式,将各现场控制分站设备连接,在上图示意中使用Profinet-PN总线连接各控制分站,使用Profibus-DP总线连接运行机构电动机驱动设备和位置编码器。使用Ethnet设备连接本地监控和无线远程监控电脑。
三、巴哈马桥吊现场改造
1. 主要改造施工主要内容:除高压电源进线和辅助电源柜司机室吊具控制柜外,电气房内所有控制柜全要更新,其他外部分站内PLC模块更新。整机除拖链电缆外PLC通讯光缆重新敷设。



(旧设备图片)


(新控制柜图片)
2. 现场通讯光缆需重新敷设,经过多次尝试,改变原光缆走向通过电梯井绕道并在整机下部联系梁上敷设多段硬管的方式敷设。



3. 改造的4台机,有2种机型。施工方式也不同,在针对现场进行多次调研后,最终制定了最佳方式,使得控制柜安装、电缆敷设、外围控制分站改造更新顺利进行。
4. 在调试过程针对不同机器进行了针对性调整,适应不同的机器。并尽量将PLC程序中控制方式统一。
四、结束语
经过电气系统更新改造后的起重机,运行平稳,降低了故障发生率和维修成本。